探针台
Probe Stations
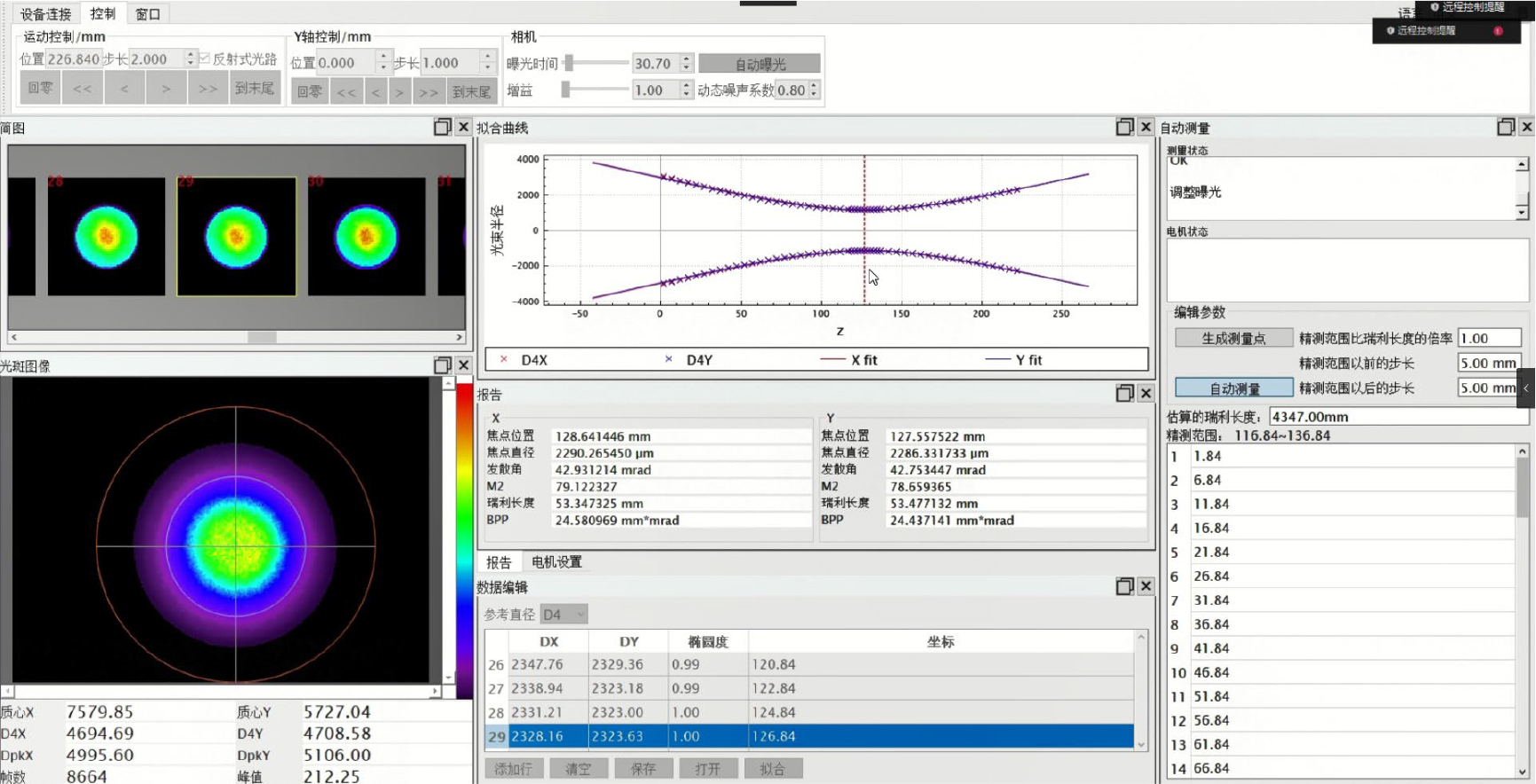
谱量光电 M²测量系统一体化机身设计,操作简单、快速一键式测量。配置高精度电动导轨及高分辨率光斑分析仪捕捉激光光斑图像,并通过自主研发的分析软件测试M2因子、发散角、聚焦直径、束腰位置、瑞利长度以及其他激光光束质量参数。 M²测量系统整体准确度≤5%,光谱检测范围340-1100nm,M² 范围可测1-50;并且兼容脉冲和连续激光测量,适用于激光技术、光纤通信,生物医学,激光加工制造等领域。
|
波长范围
340-1100nm |
|
检测精度
≤5% |
|
M²范围
1-50 |
|
内置衰减器
OD0.5/OD1/OD1.5/OD2/OD3/OD4 |
|
标准镜头
F300mm |


